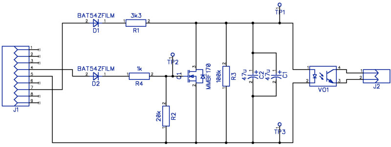
An update on the rcd_serial STONITH provider for Linux Pacemaker clusters, covering hardware design improvements in v2/v3 cables. The project has been accepted into Fedora's codebase and will eventually land in RHEL. Key improvements include an external connector for easier cable disconnection, a refined circuit design, and fixed RS232 connector screws. The CAD circuit design has been open-sourced on GitHub.

2m read timeFrom smcleod.net
Post cover image
Table of contents
A Linux Cluster Base STONITH provider for use with modern Pacemaker clusters #

Sort: